一分三可约可空降大秀熊猫

你好呀,迎送惠臨樂清市春虹電子器材很大有限公司
樂清市春虹電子器材無限修改子公司

泉源廠家, 撐持定制,知心折務,雙贏將來

天下網商談熱線電話: 0577-61316969
接洽咱們
樂清市春虹電子無限公司
征詢熱線:18968817571
公司德律風:0577-61316969
公司地點:浙江省樂清市虹橋鎮模具中間二區D棟

帶燈輕觸開關選春虹

天下論壇熱情接待德律風: 0577-61316969

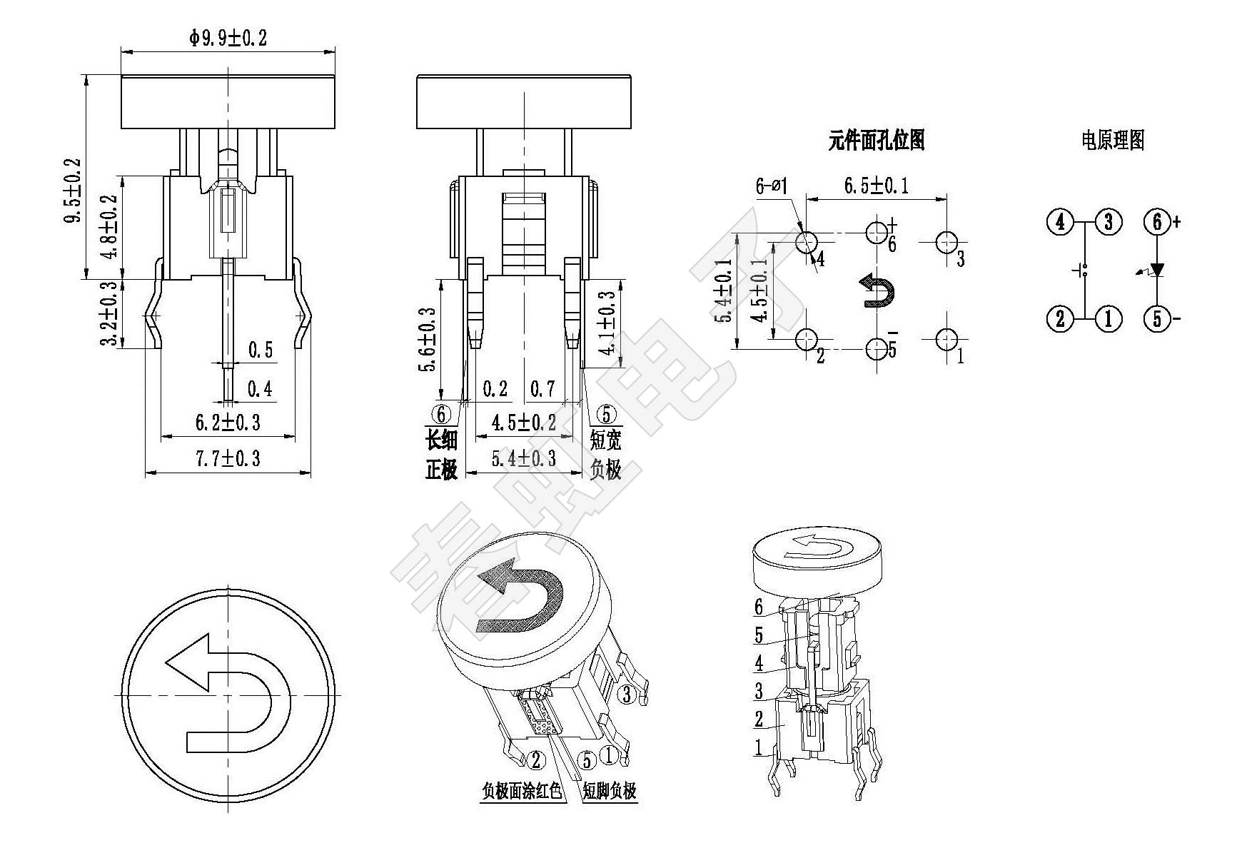
型號:KFCA0647-9.5H

的天氣品質: -25°C至75°C特別值: 30V DC,30mA開戰功率電阻: ≤0.05Ω耐電阻值: 250V AC隔熱電阻值: ≥100MΩ制裁力: 260gf±50gf/160gf±50gf使用壽命: 10W times鹽霧工作: 12±1 hours燈色:紅/藍/綠/白/紅白藍/紅綠等太陽帽方法類型:人的本性/黑漆/銀漆/




產物概況

0647-4.png

創春虹的品牌、創先爭優首屈一指大學公司、首屈一指大學品行、首屈一指大學工廠
0577-61316969